euista de limites de temperatura do aplicativo

Materiais Temperatura média℃ Materiais Temperatura média℃
PVC-C -20℃~95℃ PVC-U -5℃~45℃
FRPP -20℃~120℃ HPP -20℃~ 110℃
PVDF 40℃~ 150℃

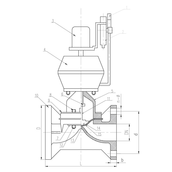
Características estruturais do produto

1. O diafragma de vedação é feito de F46 ou PFA, com resistência à dobragem ≥ 120.000 vezes e resistência à corrosão comparável a F4.
2. O mecanismo de elevação tipo parafuso proporciona baixo torque de abertura e fechamento e excelente estabilidade.
3. O atuador pode ser controlado remotamente através de um computador ou centro de controle, controlando o fluxo e o fluxo do meio abrindo e fechando a válvula. Isso proporciona maior comodidade e rapidez, reduz custos de mão de obra e garante a segurança dos trabalhadores no local.

Tabela de materiais de peças

Não. Nome Materiais Quantidade.
1 Válvula solenóide 1
2 Manômetro 1
3 Dispositivo de feedback de sinal 1
4 Atuador pneumático Liga de alumínio 1
5 Boné HPP、PVC-C、PVC-U、PVDF、FRPP 1
6 Jugo Porca Aço SS、 Aço 1
7 Placa Q345、Aço SS 2
8 Parafuso Aço,StainlessSteel 4
9 Placa Q345、Aço SS 2
10 Corpo HPP、PVC-C、PVC-U、PVDF、FRPP 1
11 Caule Aço,StainlessSteel 1
12 Tampa de porca Aço,StainlessSteel 4
13 Placa de válvula HPP,PVC-C,PVC-U
FRPP, PVDF/ferro fundido
1
14 Flim EPDM,FPM 1
15 Diafragma F46.PFA.PTFE 1
Lista de dimensões

D d L b n-Φ
15 95 65 125 14 4-Φ14
20 105 75 135 18 4-Φ14
25 115 85 145 18 4-Φ14
32 135 100 160 18 4-Φ18
40 145 110 180 20 4-Φ18
50 160 125 210 22 4-Φ18
65 180 145 250 24 4-Φ18
80 195 160 300 24 8-Φ18
100 225 180 350 28 8-Φ18
125 245 210 400 30 8-Φ18
150 280 240 455 30 8-Φ23x27
200 335 295 570 40 8-Φ22
250 390 350 680 38 12-Φ23
300 445 400 680 38 12- Φ 23
Feedback da mensagem
Sobre nós
Kaixin Pipeline Technologies Co., Ltd.
Fundada em 1999, Kaixin Pipeline Technologies Co., Ltd. é uma empresa de alta tecnologia que integra P&D, fabricação, vendas e serviços. A empresa possui várias certificações de prestígio, incluindo Empresa Nacional de Alta Tecnologia, PME Especializada e Sofisticada “Pequeno Gigante”, Campeã Nacional de Produto Único (Cultivo), PME Provincial de Base Tecnológica, PME Especializada e Sofisticada de Ningbo, Campeã de Produto Único de Ningbo (Cultivo), Centro de P&D de Tecnologia de Tubos e Válvulas de Polímero de Ningbo, Fábrica Verde em Nível Distrital, Empresa de Inovação de Gerenciamento Quatro Estrelas de Ningbo e Nível de Maturidade de Capacidade de Gerenciamento de Dados Empresariais 2.
Somos especializados no desenvolvimento, produção e fornecimento de produtos não metálicos resistentes à corrosão para aplicações químicas, incluindo válvulas plásticas, tubos, acessórios para tubos e bombas resistentes à corrosão. Nosso portfólio de produtos abrange materiais como PVC-C, PVC-U, PVDF, PPH e FRPP, com uma ampla gama de tipos e especificações. Notavelmente, nossas válvulas borboleta podem atingir o diâmetro DN1000, enquanto os tubos e conexões se estendem até DN800, atendendo às lacunas do mercado e mantendo nossa vantagem competitiva na indústria.
Guiada pelo princípio “Impulsionado pela tecnologia, acompanhando o ritmo dos tempos”, a Kaixin aloca quase 10 milhões de RMB anualmente para P&D. Garantimos qualidade superior do produto por meio de fabricação automatizada padronizada e fornecimento rigoroso de matérias-primas importadas. Alinhados com a nossa estratégia de desenvolvimento internacional, monitorizamos continuamente as tendências do mercado global e aproveitamos os canais digitais para levar produtos “Made in China” de alta qualidade a clientes em todo o mundo.
Ningbo • Base de P&D e Produção de Fenghua
Com um investimento total de 200 milhões de RMB, a Kaixin Ultra-Pure Pipe Technology (Ningbo) Co., Ltd. estabeleceu um novo laboratório de materiais em colaboração com universidades e institutos de pesquisa, construiu uma base de fabricação moderna e instalou 8 linhas de produção totalmente automatizadas para plásticos modificados e 8 para materiais poliméricos. A instalação é dedicada à pesquisa e desenvolvimento, produção e aplicação de novos plásticos modificados e materiais poliméricos. A Kaixin também está comprometida em atrair os melhores talentos em todas as disciplinas, impulsionando continuamente a inovação de produtos e o desenvolvimento de marcas, com o objetivo de se tornar um líder reconhecido mundialmente em pesquisa e desenvolvimento e fabricação de válvulas, tubos e conexões de polímero.
Certificado de Honra
  • honor
  • honor
  • honor
  • honor
  • honor
  • honor
  • honor
  • honor
  • honor
Notícias