Padrão GB de flange composto

FRP/PVC-C, FRP/PVC-U Flange revestido de plástico reforçado com fibra de vidro

Lista de limites de temperatura do aplicativo
Materiais Temperatura média℃ Materiais Temperatura média℃
PVC-C -20℃~95℃ PVC-U -5℃~45℃
FRPP -20℃~120℃ HPP -20℃~ 110℃
PVDF 40℃~ 150℃

Características estruturais do produto

1. Leve e de alta resistência
A densidade relativa está entre 1,5 e 2,0, apenas 1/4 a 1/5 da do aço carbono, mas sua resistência à tração se aproxima ou até excede a do aço carbono, e sua resistência específica é comparável à do aço-liga de alta qualidade.
2. Excelente resistência à corrosão
O FRP é um excelente material resistente à corrosão, oferecendo excelente resistência ao ar, água, concentrações moderadas de ácidos, álcalis, sais e vários óleos e solventes.
3. Excelentes propriedades elétricas
FRP é um excelente material isolante usado em isoladores. Mantém boas propriedades dielétricas mesmo em altas frequências e possui excelente transmitância de microondas.
4. Excelentes propriedades térmicas
FRP tem baixa condutividade térmica e é A condutividade térmica é de 1,25-1,67 kJ/s, apenas 1/100-1/1000 da do metal, tornando-o um excelente material de isolamento térmico.
5. Excelente designabilidade
Projeto flexível de vários produtos estruturais para atender aos requisitos específicos da aplicação, garantindo excelente integridade do produto e permitindo a seleção de materiais para atender aos requisitos de desempenho do produto.
6. Excelente capacidade de fabricação
A tecnologia de moldagem flexível pode ser selecionada com base no formato do produto, requisitos técnicos, aplicação e quantidade. O processo é simples, permite a moldagem em uma única etapa e oferece excelentes benefícios econômicos. Isto é particularmente vantajoso para produtos complexos, desafiadores e de baixo volume, destacando sua processabilidade superior.

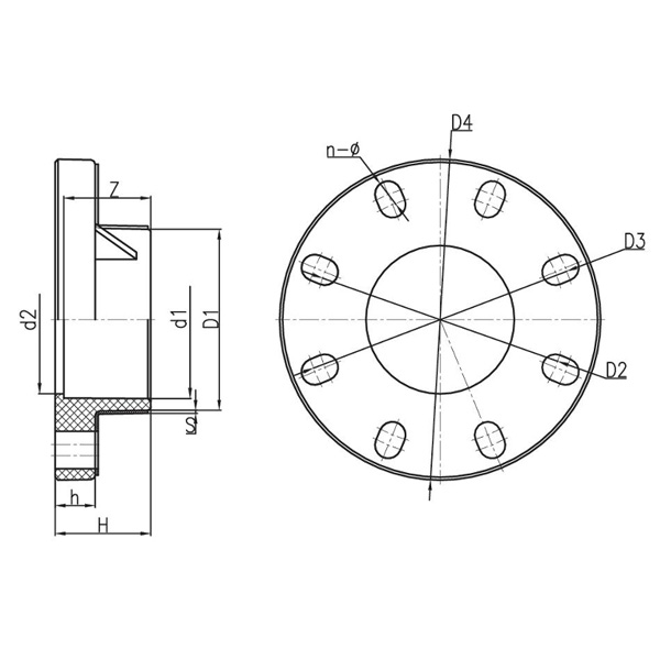
Flange Composto

DN D1 D2 D3 D4 d1 d2 H h Z S n- Φ
0,6MPa 1,0 MPa 1,6 MPa
15 30 65 70 95 20 17 20 14 16 12 14 16 4-Φ15X20
20 36 70 75 105 25 22 23 16 19 12 14 16 4-Φ15X18
25 46 79 90 120 32 28 27 16 22 12 14 18 4-Φ16X22
32 53 89 100 140 40 36 31 17 26 12 16 18 4-Φ18X24
40 64 98 110 150 50 45 36 19 31 12 18 20 4-Φ18X25
50 77 120 125 165 63 58 43 21 38 15 18 20 4-Φ18X21
65 92 140 145 185 75 69 50 22 44 18 20 25 4-Φ18X21
80 108 150 160 200 90 84 57 25 51 18 20 25 8-Φ18X24
100 131 175 190.5 225 110 104 67 28 61 18 20 25 8-Φ18X26
125 160 210 216 250 140 134 82 30 76 18 25 30 8-Φ20X22
150 180 240 242 280 160 154 92 30 86 18 25 30 8-Φ23X24
200(PN10) 253 290 295 338 225 219 125 35 119 20 30 35 8-Φ23X27
200(PN16) 249 - 295 340 225 219 125 28 119 20 30 35 12-Φ23
250 310 350 362 406 280 254 153 30 146 25 35 40 12-Φ25X31
300 348 400 432 483 315 300 174 30 164 25 35 45 12-Φ25X41
350 393 460 470 520 355 348 197 35 184 30 40 50 16-Φ22X27
400 440 515 525 580 400 390 218 35 206 30 40 60 16-Φ26X31
450 494 561 589 640 450 430 243 40 231 35 45 65 20-Φ26X36
500 548 620 650 715 500 480 271 40 256 35 50 70 20-Φ26X41
600 692 725 780 840 630 571 506 42 321 40 55 75 20-Φ30X58

Feedback da mensagem
[#entrada#]
Sobre nós
Kaixin Pipeline Technologies Co., Ltd.
Fundada em 1999, Kaixin Pipeline Technologies Co., Ltd. é uma empresa de alta tecnologia que integra P&D, fabricação, vendas e serviços. A empresa possui várias certificações de prestígio, incluindo Empresa Nacional de Alta Tecnologia, PME Especializada e Sofisticada “Pequeno Gigante”, Campeã Nacional de Produto Único (Cultivo), PME Provincial de Base Tecnológica, PME Especializada e Sofisticada de Ningbo, Campeã de Produto Único de Ningbo (Cultivo), Centro de P&D de Tecnologia de Tubos e Válvulas de Polímero de Ningbo, Fábrica Verde em Nível Distrital, Empresa de Inovação de Gerenciamento Quatro Estrelas de Ningbo e Nível de Maturidade de Capacidade de Gerenciamento de Dados Empresariais 2.
Somos especializados no desenvolvimento, produção e fornecimento de produtos não metálicos resistentes à corrosão para aplicações químicas, incluindo válvulas plásticas, tubos, acessórios para tubos e bombas resistentes à corrosão. Nosso portfólio de produtos abrange materiais como PVC-C, PVC-U, PVDF, PPH e FRPP, com uma ampla gama de tipos e especificações. Notavelmente, nossas válvulas borboleta podem atingir o diâmetro DN1000, enquanto os tubos e conexões se estendem até DN800, atendendo às lacunas do mercado e mantendo nossa vantagem competitiva na indústria.
Guiada pelo princípio “Impulsionado pela tecnologia, acompanhando o ritmo dos tempos”, a Kaixin aloca quase 10 milhões de RMB anualmente para P&D. Garantimos qualidade superior do produto por meio de fabricação automatizada padronizada e fornecimento rigoroso de matérias-primas importadas. Alinhados com a nossa estratégia de desenvolvimento internacional, monitorizamos continuamente as tendências do mercado global e aproveitamos os canais digitais para levar produtos “Made in China” de alta qualidade a clientes em todo o mundo.
Ningbo • Base de P&D e Produção de Fenghua
Com um investimento total de 200 milhões de RMB, a Kaixin Ultra-Pure Pipe Technology (Ningbo) Co., Ltd. estabeleceu um novo laboratório de materiais em colaboração com universidades e institutos de pesquisa, construiu uma base de fabricação moderna e instalou 8 linhas de produção totalmente automatizadas para plásticos modificados e 8 para materiais poliméricos. A instalação é dedicada à pesquisa e desenvolvimento, produção e aplicação de novos plásticos modificados e materiais poliméricos. A Kaixin também está comprometida em atrair os melhores talentos em todas as disciplinas, impulsionando continuamente a inovação de produtos e o desenvolvimento de marcas, com o objetivo de se tornar um líder reconhecido mundialmente em pesquisa e desenvolvimento e fabricação de válvulas, tubos e conexões de polímero.
Certificado de Honra
  • honor
  • honor
  • honor
  • honor
  • honor
  • honor
  • honor
  • honor
  • honor
Notícias