euista de limites de temperatura do aplicativo
Materiais Temperatura média℃ Materiais Temperatura média℃
PVC-C -20℃~95℃ PVC-U -5℃~ 45℃
FRPP -20℃~120℃ UHE -20℃~ 110℃
PVDF 40℃~ 150℃

Características estruturais do produto

1. Resistência química superior: ampla faixa de temperatura operacional -20°C a 95°C, o conteúdo de íons pesados não atende aos padrões de água ultrapura e as propriedades higiênicas atendem aos padrões nacionais de saúde.
2. Excelente resistência, tenacidade e resistência à corrosão química.
3. Durabilidade: Excelente resistência ao envelhecimento e UV prolonga significativamente a vida útil de outros sistemas de coluna.
4. Baixa condutividade térmica: Aproximadamente 1/200 da aço; retardador de chama autoextinguível.
5. eueve: Leve, equivalente a 1/5 de tubo de aço e 1/6 de tubo de cobre.
6. Baixa resistência, alta vazão: Superfície lisa e limpa do tubo, minimiza o atrito e a adesão ao transporte de fluidos.
7. Fácil instalação, baixo custo: Conexões adesivas e rosqueadas estão disponíveis, sendo a cola a mais conveniente.

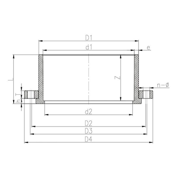
Lista de dimensões

DN D1 D2 D3 D4 d1 d2 L T h Z n- Φ
15 27 59 70 95 20 18 22 16 1.5 16 4-Φ15X20,5
20 32 70 75 105 25 23 25 18 1.5 19 4-Φ15X17,5
25 40 79 90 125 32 29 28 18 1.5 22 4-Φ15X20,5
32 50 89 100 140 40 36 31.5 20 1.5 26 4-Φ18X24,5
4 61 98 110 150 50 4 37 20 2 31 4-Φ18X24
50 75 120 125 165 63 58 44 25 2 38 4-Φ18X20,5
65 88 140 145 185 75 69 50 25 2 44 4-Φ18X20,5
80 105 150 160 200 90 84 57 26 2.5 51 8-Φ18X23
100 127 175 190 522 9110 105 67 26 2.5 61 8- Φ 18X26
125 161 210 250 140 130 84 28 12.5 77 8-Φ19
150 182 240 285 160 150 93 31 12.5 85 8-Φ23
200 249 295 339 225 215 127 36 16 119 8-Φ23X25
200 254 295.8 341 225 215 127 33.1 16 119 12-Φ22
250 308 350 395 280 267 154 40.5 16.5 144 12-Φ23
300 346 400 445 315 305 170 43 18 160 12-Φ23
350 395 460 505 355 340 176 43 16 164.5 16-Φ23
400 442 515 570 400 382 219 43 22 200 16-Φ27
450 494 565 625 450 430 220 40 27 210 20-Φ26
500 548 620 670 500 475 210 43 25 185 20-Φ27
Feedback da mensagem
Sobre nós
Kaixin Pipeline Technologies Co., Ltd.
Fundada em 1999, Kaixin Pipeline Technologies Co., Ltd. é uma empresa de alta tecnologia que integra P&D, fabricação, vendas e serviços. A empresa possui várias certificações de prestígio, incluindo Empresa Nacional de Alta Tecnologia, PME Especializada e Sofisticada “Pequeno Gigante”, Campeã Nacional de Produto Único (Cultivo), PME Provincial de Base Tecnológica, PME Especializada e Sofisticada de Ningbo, Campeã de Produto Único de Ningbo (Cultivo), Centro de P&D de Tecnologia de Tubos e Válvulas de Polímero de Ningbo, Fábrica Verde em Nível Distrital, Empresa de Inovação de Gerenciamento Quatro Estrelas de Ningbo e Nível de Maturidade de Capacidade de Gerenciamento de Dados Empresariais 2.
Somos especializados no desenvolvimento, produção e fornecimento de produtos não metálicos resistentes à corrosão para aplicações químicas, incluindo válvulas plásticas, tubos, acessórios para tubos e bombas resistentes à corrosão. Nosso portfólio de produtos abrange materiais como PVC-C, PVC-U, PVDF, PPH e FRPP, com uma ampla gama de tipos e especificações. Notavelmente, nossas válvulas borboleta podem atingir o diâmetro DN1000, enquanto os tubos e conexões se estendem até DN800, atendendo às lacunas do mercado e mantendo nossa vantagem competitiva na indústria.
Guiada pelo princípio “Impulsionado pela tecnologia, acompanhando o ritmo dos tempos”, a Kaixin aloca quase 10 milhões de RMB anualmente para P&D. Garantimos qualidade superior do produto por meio de fabricação automatizada padronizada e fornecimento rigoroso de matérias-primas importadas. Alinhados com a nossa estratégia de desenvolvimento internacional, monitorizamos continuamente as tendências do mercado global e aproveitamos os canais digitais para levar produtos “Made in China” de alta qualidade a clientes em todo o mundo.
Ningbo • Base de P&D e Produção de Fenghua
Com um investimento total de 200 milhões de RMB, a Kaixin Ultra-Pure Pipe Technology (Ningbo) Co., Ltd. estabeleceu um novo laboratório de materiais em colaboração com universidades e institutos de pesquisa, construiu uma base de fabricação moderna e instalou 8 linhas de produção totalmente automatizadas para plásticos modificados e 8 para materiais poliméricos. A instalação é dedicada à pesquisa e desenvolvimento, produção e aplicação de novos plásticos modificados e materiais poliméricos. A Kaixin também está comprometida em atrair os melhores talentos em todas as disciplinas, impulsionando continuamente a inovação de produtos e o desenvolvimento de marcas, com o objetivo de se tornar um líder reconhecido mundialmente em pesquisa e desenvolvimento e fabricação de válvulas, tubos e conexões de polímero.
Certificado de Honra
  • honor
  • honor
  • honor
  • honor
  • honor
  • honor
  • honor
  • honor
  • honor
Notícias