PVC-C que reduz o padrão do ANSI do T DN15*20-600*500 1/2*3/4"-24*20"

T redutor de PVC-C cinza claro de alta qualidade com rosca interna e conexão de soquete, encaixe de tubo de plástico para uso químico e de água, padrão ANSI SCH80
Origem: China
Marca: KXPV
Processo: Forjado
Tipo de conexão: fêmea, soquete
Forma: Reduzindo
Código principal: redondo
Cor: Cinza Claro
Aplicação: Industrial e Química
Material: PVC-C
Prazo de entrega: 7 dias
Quantidade mínima de pedido: 1 peça
Capacidade de fornecimento: 10.000 peças/mês

Lista de limites de temperatura do aplicativo
Materiais Temperatura média℃ Materiais Temperatura média℃
PVC-C -20℃~95℃ PVC-U -5℃~ 45℃
FRPP -20℃~120℃ HPP -20℃~ 110℃
PVDF 40℃~ 150℃

Características estruturais do produto

1. Excelente resistência química: A faixa de temperatura é ampla de -20 ℃ a 95 ℃. O conteúdo de íons no meio atende aos padrões de água ultrapura. O desempenho da higiene está em conformidade com os padrões nacionais de saneamento.
2. Excelente resistência, tenacidade e resistência à corrosão química: O material oferece resistência superior e resistência à corrosão química.
3.Durabilidade: Excepcional resistência ao envelhecimento e resistência aos raios UV prolongam significativamente a vida útil em comparação com outros sistemas de tubulação.
4. Baixa condutividade térmica: A condutividade térmica é de aproximadamente 1/200 do aço; propriedades retardadoras de chama são autoextinguíveis.
5.Leve: pesa apenas cerca de 1/5 dos tubos de aço e 1/6 dos tubos de cobre.
6. Baixa resistência, alta vazão: A parede lisa e limpa do tubo resulta em resistência mínima ao atrito e adesão ao transportar fluidos.
7. Fácil instalação, baixo custo: pode ser conectado por meio de colagem, rosqueamento e, mais simplesmente, com adesivo, oferecendo uma solução econômica e fácil de usar.

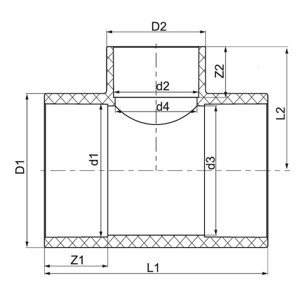
Lista de dimensões

Especificação D1
(mm)
D2
(mm)
d1
(mm)
d2
(mm)
d3
(mm)
d4
(mm)
L1
(mm)
L2
(mm)
Z1
(mm)
Z2
(mm)
3/4″* 1/2″(20*15) 37 31.5 26.67 21.34 23 18 78 38.5 25.5 22.5
1″* 1/2″(25*15) 45 31.5 33.4 21.34 29 18 87 42.5 29 22.5
1″* 3/4″(25*10) 45 37 33.4 26.67 29 23 92 45.5 29 25.5
1¼″* 1/2″(32*15) 54.5 31.5 42.16 21.34 38 18 93 47 32 22.5
1¼″* 3/4″(32*20) 54.5 37 42.16 26.67 38 23 99 50 32 25.5
1¼″* 1″(32*25) 54.5 45 42.16 33.4 38 29 104 53.5 32 29
1½″* 3/4″(40*20) 61 37 48.26 26.67 44 23 105 53.5 35 25.5
1½″* 1″(40*25) 61 45 48.26 33.4 44 29 115 57 35 29
1½″* 1¼″(40*32) 61 54.5 48.26 42.16 44 38 120 60 35 32
2″* 1″(50*25) 74 45 60.32 33.4 55 29 119 63 38.5 29
2″* 1¼″(50*32) 74 54.5 60.32 42.16 55 38 128 66 38.5 32
2″* 1½″(50*40) 74 61 60.32 48.26 55 44 134 69 38.5 35
2½″* 1¼″(65*32) 90 54.5 73.02 42.16 68 38 143 73.5 45 32
2½″* 1½″(65*40) 90 61 73.02 48.26 68 44 149 76.5 45 35
2½″* 2″(65*50) 90 74 73.02 60.32 68 55 160 80 45 38.5
3″* 1½″(80*40) 107 61 88.9 48.26 83 44 157 85 48 35
3″* 2″(80*50) 107 74 88.9 60.32 83 55 168 88.5 48 38.5
3″* 2½″(80*65) 107 90 88.9 73.02 83 68 181 95 48 45
4″* 2″(100*50) 134 74 114.3 60.32 109 55 188 102 57.5 38.5
4″* 2½″(100*65) 134 90 114.3 73.02 109 68 201 108.5 57.5 45
4″* 3″(100*80) 134 107 114.3 88.9 109 83 216 111.5 57.5 48
5″* 2½″(125*65) 162 90 141.3 73.02 134 68 223 122.5 67 45
5″* 3″(125*80) 162 107 141.3 88.9 134 83 238 125.5 67 48
5″* 4″(125*100) 162 134 141.3 114.3 134 109 264 135 67 57.5
6″* 3″(150*80) 192 107 168.28 88.9 160 84 260 140 76.5 48
6″* 4″(150*100) 192 134 168.28 114.3 160 105 286 149.5 76.5 57.5
6″* 5″(150*125) 192 162 168.28 141.3 160 132 311 159 76.5 67
8″* 4″(200*100) 247 134 219.08 114.3 210 86 340 176 102 57.5
8″* 5″(200*125) 247 162 219.08 141.3 210 105 365 185.5 102 67
8″* 6″(200*150) 247 192 219.08 168.28 210 154 391 195 102 76.5
Feedback da mensagem
[#entrada#]
Sobre nós
Kaixin Pipeline Technologies Co., Ltd.
Fundada em 1999, Kaixin Pipeline Technologies Co., Ltd. é uma empresa de alta tecnologia que integra P&D, fabricação, vendas e serviços. A empresa possui várias certificações de prestígio, incluindo Empresa Nacional de Alta Tecnologia, PME Especializada e Sofisticada “Pequeno Gigante”, Campeã Nacional de Produto Único (Cultivo), PME Provincial de Base Tecnológica, PME Especializada e Sofisticada de Ningbo, Campeã de Produto Único de Ningbo (Cultivo), Centro de P&D de Tecnologia de Tubos e Válvulas de Polímero de Ningbo, Fábrica Verde em Nível Distrital, Empresa de Inovação de Gerenciamento Quatro Estrelas de Ningbo e Nível de Maturidade de Capacidade de Gerenciamento de Dados Empresariais 2.
Somos especializados no desenvolvimento, produção e fornecimento de produtos não metálicos resistentes à corrosão para aplicações químicas, incluindo válvulas plásticas, tubos, acessórios para tubos e bombas resistentes à corrosão. Nosso portfólio de produtos abrange materiais como PVC-C, PVC-U, PVDF, PPH e FRPP, com uma ampla gama de tipos e especificações. Notavelmente, nossas válvulas borboleta podem atingir o diâmetro DN1000, enquanto os tubos e conexões se estendem até DN800, atendendo às lacunas do mercado e mantendo nossa vantagem competitiva na indústria.
Guiada pelo princípio “Impulsionado pela tecnologia, acompanhando o ritmo dos tempos”, a Kaixin aloca quase 10 milhões de RMB anualmente para P&D. Garantimos qualidade superior do produto por meio de fabricação automatizada padronizada e fornecimento rigoroso de matérias-primas importadas. Alinhados com a nossa estratégia de desenvolvimento internacional, monitorizamos continuamente as tendências do mercado global e aproveitamos os canais digitais para levar produtos “Made in China” de alta qualidade a clientes em todo o mundo.
Ningbo • Base de P&D e Produção de Fenghua
Com um investimento total de 200 milhões de RMB, a Kaixin Ultra-Pure Pipe Technology (Ningbo) Co., Ltd. estabeleceu um novo laboratório de materiais em colaboração com universidades e institutos de pesquisa, construiu uma base de fabricação moderna e instalou 8 linhas de produção totalmente automatizadas para plásticos modificados e 8 para materiais poliméricos. A instalação é dedicada à pesquisa e desenvolvimento, produção e aplicação de novos plásticos modificados e materiais poliméricos. A Kaixin também está comprometida em atrair os melhores talentos em todas as disciplinas, impulsionando continuamente a inovação de produtos e o desenvolvimento de marcas, com o objetivo de se tornar um líder reconhecido mundialmente em pesquisa e desenvolvimento e fabricação de válvulas, tubos e conexões de polímero.
Certificado de Honra
  • honor
  • honor
  • honor
  • honor
  • honor
  • honor
  • honor
  • honor
  • honor
Notícias