Redutor PVC-U DN15*20-600*500 1/2*3/4"-24*20" Padrão ANSI

Soquete redutor de PVC-U cinza escuro, DN15 * 20-DN600 * 500, personalizado de 10 polegadas, 12 polegadas, encaixe de tubo de plástico industrial para abastecimento de produtos químicos e água, padrão ANSI SCH80
Origem: China
Marca: KXPV
Processo: Forjado
Conexão: Soquete
Material: PVC-U
Cor: Cinza Escuro
Forma: Igual
Código principal: Quadrado
Tamanho: DN1520-DN600500
Aplicação: Indústria
Embalagem: Caixa
Pressão de trabalho: 1,6 MPa
Prazo de entrega: 7 dias
Quantidade mínima de pedido: 1 peça

euista de limites de temperatura do aplicativo
Materiais Temperatura média℃ Materiais Temperatura média℃
PVC-C -20℃~95℃ PVC-U -5℃~45℃
FRPP -20℃~120℃ HPP -20℃~ 110℃
PVDF 40℃~ 150℃

Características estruturais do produto

1.Leve: o material PVC-U possui apenas 1/10 do peso do ferro fundido, facilitando o transporte e a instalação, reduzindo assim custos.
2. Excelente resistência química: O PVC-U oferece excelente resistência a ácidos e álcalis, exceto ácidos e bases fortes quase saturados.
3.Durável: O PVC-U possui excelente resistência às intempéries e não é suscetível à corrosão por bactérias ou fungos.
4.Não condutor: o material PVC-U não conduz eletricidade, nem está sujeito à corrosão por correntes elétricas, eliminando assim a necessidade de processamento secundário. Não é inflamável e não suporta combustão, portanto não há risco de incêndio.
5. Baixa resistência, alta taxa de fluxo: As paredes internas lisas minimizam a perda de fluxo de fluido e a sujeira não é facilmente fixada na superfície lisa do tubo, facilitando a manutenção e reduzindo os custos de manutenção.
6. Fácil instalação, baixo custo: Cortar e conectar tubos de PVC-U é simples. As conexões de cola de PVC são comprovadamente seguras, confiáveis, fáceis de operar e econômicas.

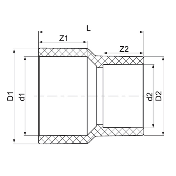
Redutor UPVC

Especificação D1
(mm)
D2
(mm)
d1
(mm)
d2
(mm)
L
(mm)
Z1
(mm)
Z2
(mm)
2″*1″(50*25) 74 45 60.32 33.4 87 38.5 29
2″*1¼″(50*32) 74 54.5 60.32 42.16 86 38.5 32
2″*1½″(50*40) 74 61 60.32 48.26 86 38.5 35
2½″*1¼″(65*32) 90 54.5 73.02 42.16 98.5 45 32
2½″*1½″(65*40) 90 61 73.02 48.26 98.5 45 35
2½″*2″(65*50) 90 74 73.02 60.32 97 45 38.5
3″*1½ ″(80*40) 107 61 88.9 48.26 109.5 48 35
3″*2″(80*50) 107 74 88.9 60.32 107.5 48 38.5
3″*2½ ″(80*65) 107 90 88.9 73.02 109 48 45
4″*2″(100*50) 134 74 114.3 60.32 129.5 57.5 38.5
4″*2½″(100*65) 134 90 114.3 73.02 131 57.5 45
4″*3″(100*80) 134 107 114.3 88.9 127 57.5 48
5″*2½″(125*65) 163 90 141.3 73.02 154.5 67 45
5″*3″(125*80) 163 107 141.3 88.9 150 67 48
5″*4″(125*100) 163 134 141.3 114.3 146.5 67 57.5
6″*3″(150*80) 192 107 168.28 88.9 173 76.5 48
6″*4″(150*100) 192 134 168.28 114.3 170 76.5 57.5
6″*5″(150*125) 192 163 168.28 141.3 167 76.5 67
8″*4″(200*100) 247 134 219.08 114.3 221 102 57.5
8″*5″(200*125) 247 163 219.08 141.3 218 102 67
8″*6″(200*150) 247 192 219.08 168.28 215 102 76.5

Feedback da mensagem
[#entrada#]
Sobre nós
Kaixin Pipeline Technologies Co., Ltd.
Fundada em 1999, Kaixin Pipeline Technologies Co., Ltd. é uma empresa de alta tecnologia que integra P&D, fabricação, vendas e serviços. A empresa possui várias certificações de prestígio, incluindo Empresa Nacional de Alta Tecnologia, PME Especializada e Sofisticada “Pequeno Gigante”, Campeã Nacional de Produto Único (Cultivo), PME Provincial de Base Tecnológica, PME Especializada e Sofisticada de Ningbo, Campeã de Produto Único de Ningbo (Cultivo), Centro de P&D de Tecnologia de Tubos e Válvulas de Polímero de Ningbo, Fábrica Verde em Nível Distrital, Empresa de Inovação de Gerenciamento Quatro Estrelas de Ningbo e Nível de Maturidade de Capacidade de Gerenciamento de Dados Empresariais 2.
Somos especializados no desenvolvimento, produção e fornecimento de produtos não metálicos resistentes à corrosão para aplicações químicas, incluindo válvulas plásticas, tubos, acessórios para tubos e bombas resistentes à corrosão. Nosso portfólio de produtos abrange materiais como PVC-C, PVC-U, PVDF, PPH e FRPP, com uma ampla gama de tipos e especificações. Notavelmente, nossas válvulas borboleta podem atingir o diâmetro DN1000, enquanto os tubos e conexões se estendem até DN800, atendendo às lacunas do mercado e mantendo nossa vantagem competitiva na indústria.
Guiada pelo princípio “Impulsionado pela tecnologia, acompanhando o ritmo dos tempos”, a Kaixin aloca quase 10 milhões de RMB anualmente para P&D. Garantimos qualidade superior do produto por meio de fabricação automatizada padronizada e fornecimento rigoroso de matérias-primas importadas. Alinhados com a nossa estratégia de desenvolvimento internacional, monitorizamos continuamente as tendências do mercado global e aproveitamos os canais digitais para levar produtos “Made in China” de alta qualidade a clientes em todo o mundo.
Ningbo • Base de P&D e Produção de Fenghua
Com um investimento total de 200 milhões de RMB, a Kaixin Ultra-Pure Pipe Technology (Ningbo) Co., Ltd. estabeleceu um novo laboratório de materiais em colaboração com universidades e institutos de pesquisa, construiu uma base de fabricação moderna e instalou 8 linhas de produção totalmente automatizadas para plásticos modificados e 8 para materiais poliméricos. A instalação é dedicada à pesquisa e desenvolvimento, produção e aplicação de novos plásticos modificados e materiais poliméricos. A Kaixin também está comprometida em atrair os melhores talentos em todas as disciplinas, impulsionando continuamente a inovação de produtos e o desenvolvimento de marcas, com o objetivo de se tornar um líder reconhecido mundialmente em pesquisa e desenvolvimento e fabricação de válvulas, tubos e conexões de polímero.
Certificado de Honra
  • honor
  • honor
  • honor
  • honor
  • honor
  • honor
  • honor
  • honor
  • honor
Notícias