Tipo padrão da vida de FRPP H41F-10S da válvula de verificação DN40-80 GB

Tipo longo verde costume DN40-DN80 6 do elevador da vida ativa da válvula de verificação válvula de verificação plástica em dois sentidos FRPP de 10 polegadas
Local de Origem: China
Marca: KXPV
Número do modelo: H41F-10S
Aplicação: Geral
Material: Plástico
Temperatura da mídia: temperatura média, temperatura normal
Pressão: Pressão Média
Potência: Manual
Mídia: Ácido
Tamanho da porta: DN40-DN80
Estrutura: Verifique
Nome do produto: válvula de retenção de elevação
Cor: Verde
Embalagem: Caixa de papelão
Prazo de entrega: 7 dias
Quantidade mínima: 1 peça

Classe de pressão: 1,0Mpa(10bar)

Características estruturais do produto

1. Gama completa de especificações
2. Desempenho confiável
3. Ampla gama de aplicações
4. Instalação fácil e confiável
5. Pode ser instalado em qualquer local

euista de limites de temperatura do aplicativo

Materiais Temperatura média℃ Materiais Temperatura média℃
PVC-C -20℃~95℃ PVC-U -5℃~45℃
FRPP -20℃~120℃ HPP -20℃~ 110℃
PVDF 40℃~ 150℃

Tabela de materiais de peças
Não. Nome Materiais
1 Boné FRPP
2 Anel de vedação EPDM
3 Pistões PP PTEE
4 Corpo FRPP

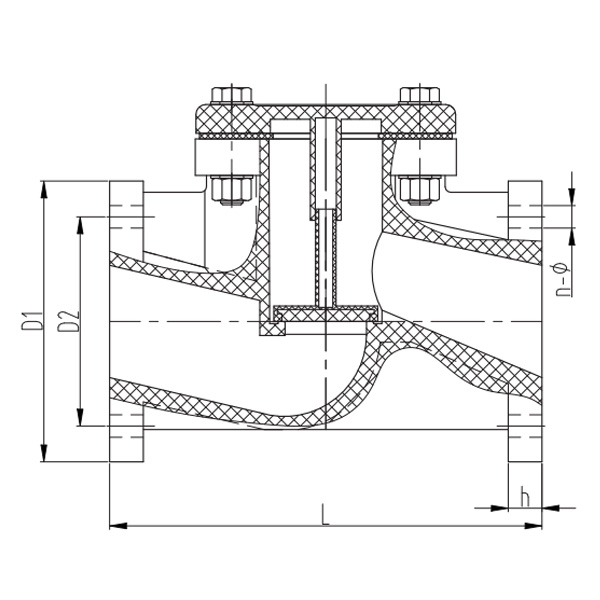
Desenho detalhado do conjunto da válvula de retenção tipo vida

Lista de dimensões

DN(mm) D d L b n-Φ
GB JIS ANSI GB JIS ANSI
40(11/2") 150 110 110 98.4 200 20 4-Φ18 4-Φ19 4-Φ16
50(2") 165 125 125 120.7 230 20 4-Φ18 4-Φ19 4-Φ18
65(21/2") 185 145 145 139.7 295 24 4-Φ18 4-Φ19 4-Φ18
80(3") 200 160 160 152.4 310 25 8-Φ18 8-Φ19 4-Φ18

Feedback da mensagem
[#entrada#]
Sobre nós
Kaixin Pipeline Technologies Co., Ltd.
Fundada em 1999, Kaixin Pipeline Technologies Co., Ltd. é uma empresa de alta tecnologia que integra P&D, fabricação, vendas e serviços. A empresa possui várias certificações de prestígio, incluindo Empresa Nacional de Alta Tecnologia, PME Especializada e Sofisticada “Pequeno Gigante”, Campeã Nacional de Produto Único (Cultivo), PME Provincial de Base Tecnológica, PME Especializada e Sofisticada de Ningbo, Campeã de Produto Único de Ningbo (Cultivo), Centro de P&D de Tecnologia de Tubos e Válvulas de Polímero de Ningbo, Fábrica Verde em Nível Distrital, Empresa de Inovação de Gerenciamento Quatro Estrelas de Ningbo e Nível de Maturidade de Capacidade de Gerenciamento de Dados Empresariais 2.
Somos especializados no desenvolvimento, produção e fornecimento de produtos não metálicos resistentes à corrosão para aplicações químicas, incluindo válvulas plásticas, tubos, acessórios para tubos e bombas resistentes à corrosão. Nosso portfólio de produtos abrange materiais como PVC-C, PVC-U, PVDF, PPH e FRPP, com uma ampla gama de tipos e especificações. Notavelmente, nossas válvulas borboleta podem atingir o diâmetro DN1000, enquanto os tubos e conexões se estendem até DN800, atendendo às lacunas do mercado e mantendo nossa vantagem competitiva na indústria.
Guiada pelo princípio “Impulsionado pela tecnologia, acompanhando o ritmo dos tempos”, a Kaixin aloca quase 10 milhões de RMB anualmente para P&D. Garantimos qualidade superior do produto por meio de fabricação automatizada padronizada e fornecimento rigoroso de matérias-primas importadas. Alinhados com a nossa estratégia de desenvolvimento internacional, monitorizamos continuamente as tendências do mercado global e aproveitamos os canais digitais para levar produtos “Made in China” de alta qualidade a clientes em todo o mundo.
Ningbo • Base de P&D e Produção de Fenghua
Com um investimento total de 200 milhões de RMB, a Kaixin Ultra-Pure Pipe Technology (Ningbo) Co., Ltd. estabeleceu um novo laboratório de materiais em colaboração com universidades e institutos de pesquisa, construiu uma base de fabricação moderna e instalou 8 linhas de produção totalmente automatizadas para plásticos modificados e 8 para materiais poliméricos. A instalação é dedicada à pesquisa e desenvolvimento, produção e aplicação de novos plásticos modificados e materiais poliméricos. A Kaixin também está comprometida em atrair os melhores talentos em todas as disciplinas, impulsionando continuamente a inovação de produtos e o desenvolvimento de marcas, com o objetivo de se tornar um líder reconhecido mundialmente em pesquisa e desenvolvimento e fabricação de válvulas, tubos e conexões de polímero.
Certificado de Honra
  • honor
  • honor
  • honor
  • honor
  • honor
  • honor
  • honor
  • honor
  • honor
Notícias