Flange de soquete universal PVC-U DN15-600 1/2"-24" padrão ANSI

Encaixe de tubo flangeado de soquete universal PVC-U cinza escuro comumente usado recentemente, DN15-DN600, para aplicações químicas e sanitárias, padrão ANSI SCH80
Origem: China
Marca: KXPV
Material: Plástico
Processo: Forjado
Conexão: Soquete
Formato: Igual
Código principal: Quadrado
Cor: Cinza Escuro
Tamanho: DN15-DN600
Aplicação: Indústria
Embalagem: Caixa
Pressão de trabalho: 1 MPa
Prazo de entrega: 7 dias
Quantidade mínima de pedido: 1 peça

Lista de limites de temperatura do aplicativo
Materiais Temperatura média℃ Materiais Temperatura média℃
PVC-C -20℃~95℃ PVC-U -5℃~45℃
FRPP -20℃~120℃ UHE -20℃~ 110℃
PVDF 40℃~ 150℃

Características estruturais do produto

1.Leve: o material PVC-U possui apenas 1/10 do peso do ferro fundido, facilitando o transporte e a instalação, reduzindo assim os custos.
2. Excelente resistência química: O PVC-U oferece excelente resistência a ácidos e ácidos, exceto ácidos e bases fortes quase saturados.
3.Durável: O PVC-U possui excelente resistência a intempéries e não é suscetível à corrosão por bactérias ou fungos.
4.Não condutor: o material PVC-U não conduz eletricidade, nem está sujeito à corrosão por correntes elétricas, eliminando assim a necessidade de processamento secundário. Não é inflamável e não suporta combustão, portanto não há risco de incêndio.
5. Baixa resistência, alta taxa de fluxo: As paredes internas lisas minimizam a perda de fluxo de fluido e a sujeira não é facilmente introduzida na superfície lisa do tubo, facilitando a manutenção e causando os custos de manutenção.
6. Fácil instalação, baixo custo: Cortar e conectar tubos de PVC-U é simples. As conexões de cola de PVC são comprovadamente seguras, confiáveis, simples de operar e econômicas.

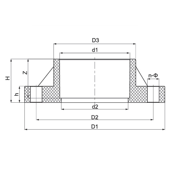
Flange UPVC

Especificação D1
(mm)
D2
(mm)
D3
(mm)
d1
(mm)
d2
(mm)
H
(mm)
h
(mm)
Z
(mm)
n-Ф
(mm)
1/2"(15) 89 60 31.5 21.34 18 27 16 22.5 4-Ф16
3/4"(20) 95 70 37 26.67 23 30.5 18 25.5 4-Ф16
1"(25) 108 79 45 33.4 29 34.5 18 29 4-Ф16
1¼"(32) 117 89 54.5 42.16 38 37.5 18 32 4-Ф16
1½"(40) 127 98 61 48.26 44 40.5 20 35 4-Ф16
2"(50) 152 121 74 60.32 55 44.5 20 38.5 4-Ф19
2½"(65) 178 140 90 73.02 68 51 20 45 4-Ф19
3"(80) 191 152 107 88.9 83 54.5 21 48 4-Ф19
4"(100) 229 191 134 114.3 109 64 24 57.5 4-Ф19
5"(125) 254 216 163 141.3 134 73.5 25 67 8-Ф22
6"(150) 279 241 192 168.28 160 83.5 25 76.5 8-Ф22
8"(200) 343 299 247 219.08 210 109 29 102 8-Φ22

Feedback da mensagem
Sobre nós
Kaixin Pipeline Technologies Co., Ltd.
Fundada em 1999, Kaixin Pipeline Technologies Co., Ltd. é uma empresa de alta tecnologia que integra P&D, fabricação, vendas e serviços. A empresa possui várias certificações de prestígio, incluindo Empresa Nacional de Alta Tecnologia, PME Especializada e Sofisticada “Pequeno Gigante”, Campeã Nacional de Produto Único (Cultivo), PME Provincial de Base Tecnológica, PME Especializada e Sofisticada de Ningbo, Campeã de Produto Único de Ningbo (Cultivo), Centro de P&D de Tecnologia de Tubos e Válvulas de Polímero de Ningbo, Fábrica Verde em Nível Distrital, Empresa de Inovação de Gerenciamento Quatro Estrelas de Ningbo e Nível de Maturidade de Capacidade de Gerenciamento de Dados Empresariais 2.
Somos especializados no desenvolvimento, produção e fornecimento de produtos não metálicos resistentes à corrosão para aplicações químicas, incluindo válvulas plásticas, tubos, acessórios para tubos e bombas resistentes à corrosão. Nosso portfólio de produtos abrange materiais como PVC-C, PVC-U, PVDF, PPH e FRPP, com uma ampla gama de tipos e especificações. Notavelmente, nossas válvulas borboleta podem atingir o diâmetro DN1000, enquanto os tubos e conexões se estendem até DN800, atendendo às lacunas do mercado e mantendo nossa vantagem competitiva na indústria.
Guiada pelo princípio “Impulsionado pela tecnologia, acompanhando o ritmo dos tempos”, a Kaixin aloca quase 10 milhões de RMB anualmente para P&D. Garantimos qualidade superior do produto por meio de fabricação automatizada padronizada e fornecimento rigoroso de matérias-primas importadas. Alinhados com a nossa estratégia de desenvolvimento internacional, monitorizamos continuamente as tendências do mercado global e aproveitamos os canais digitais para levar produtos “Made in China” de alta qualidade a clientes em todo o mundo.
Ningbo • Base de P&D e Produção de Fenghua
Com um investimento total de 200 milhões de RMB, a Kaixin Ultra-Pure Pipe Technology (Ningbo) Co., Ltd. estabeleceu um novo laboratório de materiais em colaboração com universidades e institutos de pesquisa, construiu uma base de fabricação moderna e instalou 8 linhas de produção totalmente automatizadas para plásticos modificados e 8 para materiais poliméricos. A instalação é dedicada à pesquisa e desenvolvimento, produção e aplicação de novos plásticos modificados e materiais poliméricos. A Kaixin também está comprometida em atrair os melhores talentos em todas as disciplinas, impulsionando continuamente a inovação de produtos e o desenvolvimento de marcas, com o objetivo de se tornar um líder reconhecido mundialmente em pesquisa e desenvolvimento e fabricação de válvulas, tubos e conexões de polímero.
Certificado de Honra
  • honor
  • honor
  • honor
  • honor
  • honor
  • honor
  • honor
  • honor
  • honor
Notícias